Bu lông cổ vuông đầu tròn ASME B18.5-2
Sản phẩm: Bu lông cổ vuông đầu trònASME B18.5-2
Loại tài sản: Gr307A, 307B, 325, A449, A490 2,5,8
Hoàn thiện: Mạ kẽm (Kẽm vàng, Kẽm xanh, Màu rửa), Đen, Phốt phát & Dầu, Kẽm Phốt phát, Mạ kẽm nhúng nóng (HDG), Dacromet, Geomet
Chất liệu: Thép
Nước xuất khẩu: Mỹ, Nhật, Úc, Châu Âu, v.v.
Hỗ trợ tùy chỉnh khách hàng
Bu lông cổ vuông đầu tròn theo ASME B18.5-2 thường được coi là một loại bu lông vận chuyển. Bu lông vận chuyển hay còn gọi là vít cổ vuông đầu tròn là loại bu lông có đầu tròn và cổ vuông. Bu lông cổ vuông đầu tròn có đầu tròn và cổ vuông. Thiết kế này có thể mang lại diện tích tiếp xúc lớn hơn và tăng ma sát giữa bu lông và miếng kết nối, từ đó mang lại hiệu quả siết chặt tốt hơn. Ngoài ra, cổ vuông giúp bu-lông không bị trượt hoặc xoay khi xoay, đảm bảo hơn nữa độ ổn định của kết nối.Đầu tròn cổ vuôngXeBu lông ASME B18.5-2(bao gồm bu lông cổ vuông đầu tròn) được sử dụng rộng rãi trong nhiều ngành công nghiệp, đặc biệt là trong các mối nối yêu cầu độ bền và độ tin cậy, chẳng hạn như sản xuất xe, cơ khí và công nghiệp xây dựng. Trong các ứng dụng này, bu lông vận chuyển có thể nối hai bộ phận một cách hiệu quả với các lỗ xuyên qua và bằng cách kết hợp với đai ốc, đạt được độ kín và khả năng giữ chặt.
Những bức ảnh
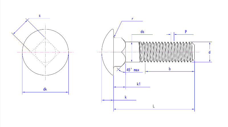
Bản vẽ sản phẩm
Đặc điểm kỹ thuật sản phẩm
Kích cỡ |
Số 10 |
1/4 |
16/5 |
8/3 |
16/7 |
1/2 |
8/5 |
3/4 |
8/7 |
1 |
||
ds |
tối đa |
0,199 |
0,26 |
0,324 |
0,388 |
0,452 |
0,515 |
0,642 |
0,768 |
0,895 |
1,022 |
|
phút |
0,159 |
0,213 |
0,272 |
0,329 |
0,385 |
0,444 |
0,559 |
0,678 |
0,795 |
0,910 |
||
dk |
tối đa |
0,469 |
0,594 |
0,719 |
0,844 |
0,969 |
1.094 |
1.344 |
1.594 |
1.844 |
2.094 |
|
phút |
0,436 |
0,563 |
0,688 |
0,782 |
0,907 |
1.032 |
1.219 |
1.469 |
1.719 |
1.969 |
||
k |
tối đa |
0,114 |
0,145 |
0,176 |
0,208 |
0,239 |
0,27 |
0,344 |
0,406 |
0,459 |
0,531 |
|
phút |
0,094 |
0,125 |
0,156 |
0,188 |
0,219 |
0,25 |
0,313 |
0,375 |
0,438 |
0,500 |
||
S |
tối đa |
0,199 |
0,260 |
0,324 |
0,388 |
0,452 |
0,515 |
0,642 |
0,768 |
0,895 |
1,022 |
|
phút |
0,185 |
0,245 |
0,307 |
0,368 |
0,431 |
0,492 |
0,616 |
0,741 |
0,865 |
0,990 |
||
k1 |
tối đa |
0,125 |
0,156 |
0,187 |
0,219 |
0,250 |
0,281 |
0,344 |
0,406 |
0,469 |
0,531 |
|
phút |
0,094 |
0,125 |
0,156 |
0,188 |
0,219 |
0,25 |
0,313 |
0,375 |
0,438 |
0,500 |
||
r tối đa |
0,031 |
0,062 |
||||||||||
Hỗ trợ tùy chỉnh khách hàng |
||||||||||||
Một số giới thiệu về công ty chúng tôi
Ứng dụng
Công ty Jinan Star chuyên sản xuất các sản phẩm dây buộc. Bu lông, đai ốc và các sản phẩm khác của chúng tôi được sử dụng rộng rãi trong máy móc, đường sắt, ô tô, xây dựng, điện, cầu, thông tin liên lạc, chữa cháy và các ngành công nghiệp khác.
Xưởng
Xưởng của Jinan Star Fastener Co., Ltd. là lĩnh vực sản xuất và chế tạo cốt lõi của công ty, với thiết bị sản xuất tiên tiến. Việc bố trí nhà xưởng hợp lý và quy trình sản xuất khoa học đảm bảo sản xuất hiệu quả và chất lượng cao cho các sản phẩm dây buộc.
Chứng nhận
Jinan Star Fastener Co., Ltd. đã đạt được chứng nhận hệ thống quản lý chất lượng ISO9001 phiên bản 2015 thông qua sự quản lý khoa học của lãnh đạo các bộ phận khác nhau và theo đuổi chất lượng cao cho bu lông và các ốc vít khác. Ngoài ra, phòng thí nghiệm thuộc sở hữu của Star Company đã đạt được chứng nhận vào năm 2017. Phòng thí nghiệm này đã vượt qua chứng nhận CNAS quốc gia vào năm 2018 và công ty đã vượt qua chứng nhận CE Châu Âu vào năm 2018.
Kiểm tra thiết bị
Công ty Fastener Jinan Star rất coi trọng chất lượng sản phẩm và được trang bị các thiết bị kiểm tra chất lượng hoàn chỉnh, như máy kiểm tra độ bền kéo, máy kiểm tra mô-men xoắn, kính hiển vi kim loại, máy chiếu quang học, buồng thử phun muối, máy đo độ dày lớp phủ, v.v., được sử dụng để kiểm tra độ bền kéo, độ giãn dài của sản phẩm dây buộc và đánh giá tính chất cơ lý của sản phẩm. Những thiết bị này đảm bảo rằng mọi liên kết từ nguyên liệu thô đến thành phẩm đều có thể được kiểm soát chặt chẽ về chất lượng.
Dụng cụ sản xuất
Để đáp ứng nhu cầu của nhiều khách hàng khác nhau, công ty đã giới thiệu một loạt thiết bị sản xuất tiên tiến, như máy cán nguội đa trạm, thiết bị cán ren, thiết bị xử lý nhiệt, máy phun bi, máy phun cát, dây chuyền mạ điện và các thiết bị khác. thiết bị xử lý bề mặt và thiết bị đóng gói hoàn toàn tự động. Những thiết bị này không chỉ nâng cao hiệu quả sản xuất mà còn đảm bảo tính đồng nhất và ổn định của chất lượng sản phẩm.
đóng gói

1. Theo nhu cầu cụ thể của khách hàng, tùy chỉnh kích thước, chất liệu, cấp độ và các thông số khác của bu lông cổ vuông đầu tròn ASME B18.5-2.
2. Cung cấp tư vấn về các thông số kỹ thuật, phương pháp lắp đặt, lưu ý khi sử dụng, v.v. của bu lông cổ vuông đầu tròn ASME B18.5-2. Chúng tôi có đội ngũ kỹ thuật chuyên nghiệp giải đáp các vấn đề khách hàng gặp phải trong quá trình sử dụng.
3. Tiến hành kiểm tra chất lượng nghiêm ngặt đối với bu lông cổ vuông đầu tròn ASME B18.5-2 được sản xuất để đảm bảo rằng sản phẩm tuân thủ tiêu chuẩn ASME B18.5-2 và yêu cầu của khách hàng.
4. Chúng tôi hợp tác với một số công ty hậu cần để đảm bảo rằng sản phẩm có thể được chuyển đến địa điểm được chỉ định của bạn một cách nhanh chóng và an toàn.
Câu hỏi thường gặp
1. Sản phẩm có tuân thủ tiêu chuẩn ASME B18.5-2 không?
Trả lời: Sản phẩm của chúng tôi được sản xuất theo tiêu chuẩn ASME B18.5-2 nghiêm ngặt, bạn có thể yên tâm sử dụng.
2. Chu kỳ giao hàng của sản phẩm là bao lâu?
Trả lời: Thời gian giao hàng phụ thuộc vào số lượng đặt hàng và kế hoạch sản xuất. Chúng tôi sẽ sắp xếp sản xuất và vận chuyển càng sớm càng tốt theo nhu cầu của bạn.
3. Giá của sản phẩm là bao nhiêu?
Trả lời: Giá sản phẩm phụ thuộc vào các yếu tố như chất liệu, kích thước, mức độ công năng,… Chúng tôi sẽ đưa ra báo giá hợp lý dựa trên nhu cầu của bạn.












