Bu lông lục giác với mặt bích
1.IFI 536 Bu lông mặt bích đầu lục giác
2. Nhà sản xuất bu lông nguồn, nhà máy riêng: với lợi thế về giá, loại bỏ sự chênh lệch giá của người trung gian.
3. Áp dụng thép dày chất lượng cao hàng đầu trong ngành, độ ổn định cao và độ bền lâu dài.
4. Hỗ trợ tùy chỉnh khách hàng.
5. Dịch vụ bán hàng và sau bán hàng chuyên nghiệp, chào mừng bạn đến hỏi bất cứ lúc nào.
6. Giao hàng đúng hẹn.
Hướng dẫn toàn diện về bu lông lục giác với mặt bích
Khi nói đến việc bảo vệ các thành phần trong các ứng dụng công nghiệp, ô tô và kết cấu,Bu lông lục giác với mặt bíchnổi bật như một dây buộc linh hoạt và hiệu suất cao. Thiết kế bu lông chuyên dụng này kết hợp sức mạnh, hiệu quả và sự tiện lợi — khiến nó trở thành lựa chọn hàng đầu trong các môi trường đòi hỏi khắt khe. Trong hướng dẫn này, chúng ta sẽ đi sâu vào các tính năng, lợi ích, vật liệu, ứng dụng và lợi thế của ngànhBu lông lục giác với mặt bích.
Bu lông lục giác có mặt bích là gì?
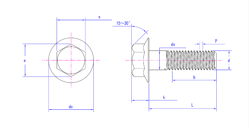
MộtBu lông lục giác với mặt bíchlà một loại bu lông có đầu lục giác và mặt bích giống như vòng đệm tích hợp bên dưới nó. Mặt bích này làm tăng bề mặt ổ trục, phân bổ đều áp suất tải và loại bỏ sự cần thiết của vòng đệm riêng. Kết quả là,Bu lông lục giác với mặt bíchGiảm số lượng bộ phận và tăng tốc quá trình lắp đặt đồng thời đảm bảo độ tin cậy của việc buộc chặt nâng cao.
Các tính năng chính của Bu lông lục giác có mặt bích
Thiết kế đầu lục giác:Cung cấp cài đặt dễ dàng với các công cụ tiêu chuẩn.
Mặt bích tích hợp:Hoạt động như một máy giặt để phân phối tải trọng và giảm hư hỏng bề mặt.
Chân ren:Cung cấp độ bám chắc chắn và thắt chặt an toàn.
Răng cưa tùy chọn:Một số biến thể bao gồm mặt bích răng cưa để tránh lỏng lẻo khi rung động.
Ưu điểm của việc sử dụng bu lông lục giác với mặt bích
1.Cải thiện phân phối tải
Nhờ mặt bích tích hợp của nó,Bu lông lục giác với mặt bíchDàn trải áp suất trên một khu vực rộng hơn, giảm ứng suất cục bộ và giảm thiểu biến dạng vật liệu.
2.Chống rung
Mặt bích không chỉ hỗ trợ độ bám của bu lông mà còn giảm nguy cơ lỏng lẻo do chuyển động, đặc biệt là trong các ứng dụng năng động như động cơ hoặc máy móc hạng nặng.
3.Cài đặt nhanh chóng và hiệu quả
Không cần vòng đệm riêng biệt, thời gian lắp ráp được giảm đáng kể, làm choBu lông lục giác với mặt bíchlý tưởng cho dây chuyền sản xuất tự động hoặc sửa chữa nhạy cảm với thời gian.
4.Hiệu quả
Bằng cách giảm tổng số thành phần và các bước lắp đặt, bu lông này góp phần giảm chi phí lao động và bảo trì theo thời gian.
Các ứng dụng phổ biến của bu lông lục giác với mặt bích
Do sức mạnh và sự tiện lợi của nó,Bu lông lục giác với mặt bíchđược sử dụng rộng rãi trong các ngành công nghiệp như:
Ô tô:Được sử dụng trong động cơ, hệ thống treo và khung gầm.
Xây dựng:Lý tưởng cho kết cấu thép và các mối nối xây dựng.
Máy móc:Cố định các bộ phận chuyển động trong thiết bị công nghiệp.
Đường ray:Đảm bảo kết nối chặt chẽ và đáng tin cậy trong các ứng dụng chịu áp lực cao.
Năng lượng gió và mặt trời:Được sử dụng trong tháp và giá đỡ bảng điều khiển.
Vật liệu và hoàn thiện
Để đáp ứng một loạt các nhu cầu về môi trường và cơ học,Bu lông lục giác với mặt bíchcó sẵn trong nhiều vật liệu và hoàn thiện:
Thép cacbon (Lớp 8.8 / 10.9 / 12.9):Cung cấp độ bền kéo vượt trội.
Thép không gỉ (304/316):Chống ăn mòn cho môi trường ngoài trời hoặc biển.
Thép hợp kim:Kết hợp sức mạnh và độ dẻo dai cho các ứng dụng quan trọng.
Các lớp hoàn thiện bề mặt phổ biến bao gồm:
Mạ kẽm:Cung cấp khả năng chống ăn mòn cơ bản.
Oxit đen:Nâng cao vẻ ngoài và giảm độ chói.
Lớp phủ mạ kẽm:Lý tưởng để tiếp xúc ngoài trời trong thời gian dài.
Kết thúc phốt phát:Cải thiện độ bôi trơn và khả năng chống mài mòn.
Tiêu chuẩn kỹ thuật
Bu lông lục giác với mặt bíchSản phẩm thường tuân thủ các tiêu chuẩn quốc tế, bao gồm:
Tiêu chuẩn ISO 1665
DIN 6921
JIS B1189
Tiêu chuẩn A574
Các tiêu chuẩn này đảm bảo tính đồng nhất về kích thước, độ bền và hiệu suất trong các ngành công nghiệp khác nhau.
Cách chọn bu lông lục giác phù hợp với mặt bích
Khi chọn mộtBu lông lục giác với mặt bích, hãy xem xét các yếu tố sau:
Yêu cầu tải trọng kéo:Chọn điểm phù hợp dựa trên mức độ căng thẳng.
Môi trường ăn mòn:Sử dụng các biến thể không gỉ hoặc mạ kẽm để sử dụng ngoài trời.
Kích thước và chiều dài bu lông:Phù hợp với độ dày vật liệu và độ sâu lắp ráp.
Loại chủ đề:Ren thô so với ren mịn phụ thuộc vào ứng dụng.
Mẹo bảo trì và an toàn
Để đảm bảo hiệu suất tối ưu và an toàn củaBu lông lục giác với mặt bích:
Luôn sử dụng cờ lê mô-men xoắn để có lực kẹp nhất quán.
Kiểm tra bu lông thường xuyên xem có dấu hiệu mài mòn hoặc ăn mòn không.
Thay thế bu lông sau khi tháo nhiều lần để duy trì tính toàn vẹn của ren.
Tại sao chọn bu lông lục giác có mặt bích?
Cho dù bạn đang chế tạo máy móc hiệu suất cao hay cố định dầm thép trong tòa nhà thương mại,Bu lông lục giác với mặt bíchcung cấp giá trị chưa từng có. Nó loại bỏ nhu cầu về vòng đệm, tăng tốc độ lắp đặt và mang lại độ ổn định mối nối vượt trội ngay cả trong điều kiện khắc nghiệt.
Với sự kết hợp độc đáo giữa sức mạnh, sự tiện lợi và tính linh hoạt,Bu lông lục giác với mặt bíchlà một dây buộc thiết yếu cho các chuyên gia đòi hỏi cả độ tin cậy và hiệu quả.
Kết thúc
CácBu lông lục giác với mặt bíchKhông chỉ là một dây buộc — đó là một giải pháp được thiết kế cho các ứng dụng ứng suất cao, ứng suất cao. Từ dây chuyền lắp ráp ô tô đến các siêu dự án cơ sở hạ tầng, loại bu lông này đảm bảo rằng các bộ phận quan trọng được giữ vững tại chỗ.
TạoBu lông lục giác với mặt bíchDây buộc phù hợp của bạn cho các ứng dụng đòi hỏi khắt khe mà sức mạnh và tốc độ quan trọng nhất.



Bản vẽ sản phẩm


