Bu lông mặt bích lục giác
1.GB-T 16674.1 Bu lông mặt bích lục giác-Dòng nhỏ
2. Nhà sản xuất bu lông nguồn, nhà máy riêng: với lợi thế về giá, loại bỏ sự chênh lệch giá của người trung gian.
3. Áp dụng thép dày chất lượng cao hàng đầu trong ngành, độ ổn định cao và độ bền lâu dài.
4. Hỗ trợ tùy chỉnh khách hàng.
5. Dịch vụ bán hàng và sau bán hàng chuyên nghiệp, chào mừng bạn đến hỏi bất cứ lúc nào.
6. Giao hàng đúng hẹn.
Hướng dẫn đầy đủ về bu lông mặt bích lục giác: Sức mạnh, độ ổn định và hiệu suất
Khi nói đến các giải pháp buộc kết hợp độ bền kết cấu với hiệu quả thiết kế,Bu lông mặt bích lục giácnổi bật như một công ty yêu thích trong ngành. Những bu lông này được công nhận rộng rãi về khả năng tăng cường khả năng kẹp và đơn giản hóa việc lắp ráp, khiến chúng trở nên lý tưởng cho các ứng dụng ô tô, công nghiệp và cơ khí. Trong hướng dẫn này, chúng tôi sẽ chia nhỏ mọi thứ bạn cần biếtBu lông mặt bích lục giác—từ cấu trúc và lợi ích của chúng đến các ứng dụng trong thế giới thực của chúng.
Bu lông mặt bích lục giác là gì?
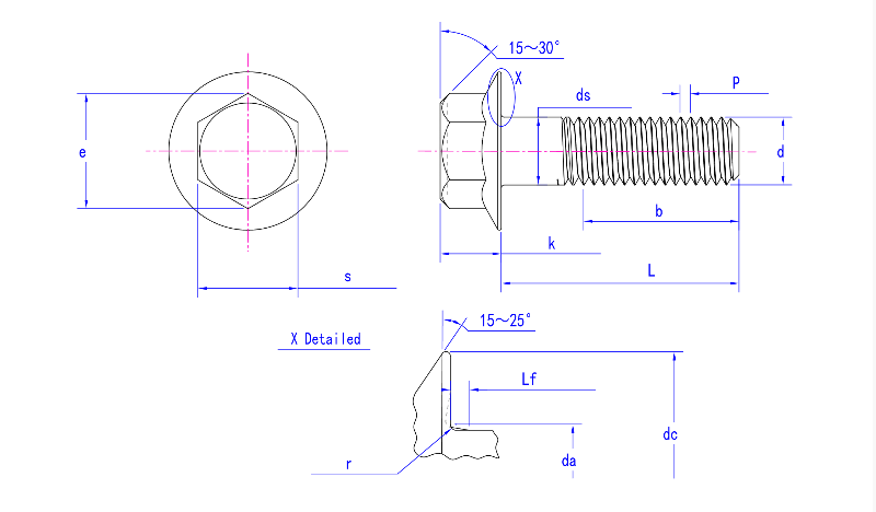
Bu lông mặt bích lục giáclà ốc vít có đầu hình lục giác và mặt bích tròn tích hợp bên dưới đầu. Mặt bích này hoạt động giống như một vòng đệm tích hợp, phân tán tải trọng và giảm nhu cầu sử dụng vòng đệm riêng biệt trong quá trình lắp đặt. Thiết kế đảm bảo rằng bu lông vẫn ổn định và mang lại độ bám chắc chắn hơn trên một khu vực lớn hơn.
Các tính năng chính của bu lông mặt bích lục giác
Máy giặt mặt bích tích hợp
Một trong những đặc điểm xác định củaBu lông mặt bích lục giáclà vòng đệm tích hợp giúp tăng bề mặt ổ trục và giảm thiểu hư hỏng bề mặt.Cài đặt tiết kiệm thời gian
Không cần máy giặt riêng biệt,Bu lông mặt bích lục giácGiảm số lượng bộ phận và hợp lý hóa quy trình lắp ráp, làm cho chúng trở nên hoàn hảo cho dây chuyền sản xuất tự động.Phân phối tải vượt trội
Mặt bích rộng cung cấp sự phân bổ áp suất đồng đều, giúp ngăn chặn sự lỏng lẻo trong môi trường rung động cao và đảm bảo kết nối bền hơn.Mặt bích răng cưa so với mịn
VàiBu lông mặt bích lục giácĐi kèm với mặt bích răng cưa để bám bề mặt và ngăn chặn sự lùi lại trong quá trình hoạt động, trong khi những mặt bích khác có mặt bích nhẵn để bảo vệ các bề mặt mỏng manh.
Tại sao chọn bu lông mặt bích lục giác?
Ưu điểm của việc sử dụngBu lông mặt bích lục giácVượt ra ngoài sự tiện lợi:
Lực kẹp mạnh hơn:Diện tích bề mặt lớn hơn của mặt bích giúp cải thiện độ bám và độ ổn định.
Hiệu quả chi phí:Loại bỏ nhu cầu về máy giặt, giảm cả chi phí vật liệu và nhân công.
Tăng cường an toàn:Ngăn chặn sự lỏng lẻo bu lông dưới tải trọng động và mô-men xoắn cao.
Linh hoạt:Thích hợp cho các ứng dụng kim loại với kim loại, kim loại với nhựa và thậm chí cả gỗ.
Ứng dụng của bu lông mặt bích lục giác
Bu lông mặt bích lục giácđược sử dụng trong nhiều ngành công nghiệp do tính linh hoạt và hiệu suất của chúng:
Lĩnh vực ô tô:Giá đỡ động cơ, khớp khung, hệ thống truyền động, bộ phận treo.
Máy móc hạng nặng:Thiết bị khai thác mỏ, nông cụ, hệ thống thủy lực.
Dự án xây dựng:Kết cấu thép, hệ thống HVAC, giàn giáo và lợp mái.
Tự làm nhà và đồ nội thất:Lý tưởng cho các đơn vị giá đỡ, hệ thống lắp đặt và cụm nhà để xe.
Vật liệu và hoàn thiện
Để phù hợp với các yêu cầu về môi trường và hiệu suất khác nhau,Bu lông mặt bích lục giácCó nhiều loại vật liệu:
Thép cacbon:Mạnh mẽ và tiết kiệm cho mục đích sử dụng chung.
Thép không gỉ (304/316):Cung cấp khả năng chống ăn mòn tuyệt vời cho các ứng dụng hàng hải và ngoài trời.
Thép hợp kim (Lớp 8):Lý tưởng cho các kết nối mô-men xoắn cao, ứng suất cao.
Lớp phủ mạ kẽm hoặc oxit đen:Tăng khả năng chống gỉ và cải thiện hình thức.
Chọn bu lông mặt bích lục giác phù hợp
Khi chọnBu lông mặt bích lục giác, hãy xem xét các yếu tố sau:
Kích thước & Cao độ chủ đề:Đảm bảo khả năng tương thích với đường kính lỗ và thông số kỹ thuật ren của ứng dụng.
Loại mặt bích:Sử dụng mặt bích răng cưa cho cài đặt dễ rung, mặt bích nhẵn cho bề mặt mềm.
Khả năng tương thích vật liệu:Chọn một lớp hoàn thiện bổ sung cho môi trường (trong nhà, ngoài trời, ăn mòn, v.v.).
Yêu cầu mô-men xoắn:Chọn bu lông được đánh giá để xử lý mức mô-men xoắn của ứng dụng của bạn mà không cần tước.
Mẹo lắp đặt cho bu lông mặt bích hình lục giác
Luôn làm sạch bề mặt giao phối trước khi lắp đặt.
Sử dụng cờ lê mô-men xoắn để áp dụng lực kẹp chính xác.
Để tăng thêm khả năng chống chịu trong môi trường rung động cao, hãy xem xét các hợp chất khóa ren.
Tránh siết quá chặt, có thể làm biến dạng mặt bích mềm hoặc vật liệu cơ bản.
Kết thúc
Cho dù bạn đang lắp ráp động cơ ô tô hay xây dựng kết cấu thép,Bu lông mặt bích lục giácCung cấp một giải pháp đáng tin cậy, tiết kiệm chi phí và hiệu suất cao. Thiết kế máy giặt tích hợp của chúng không chỉ đơn giản hóa việc lắp đặt mà còn tăng cường tính toàn vẹn của mối nối. Khi được chọn và áp dụng đúng cách,Bu lông mặt bích lục giáccó thể cải thiện đáng kể cả độ an toàn và tuổi thọ của bất kỳ cụm cơ khí nào.
LàmBu lông mặt bích lục giácdây buộc phù hợp của bạn cho bất kỳ công việc nào đòi hỏi sức mạnh, tốc độ và bảo mật.



Bản vẽ sản phẩm


