Theo dõi bu lông đầu
1.Bolt track tròn không chuẩn
2. Nhà sản xuất Bolt, nhà máy riêng: Với lợi thế về giá, loại bỏ chênh lệch giá của người trung gian.
3. Dadopt Thép dày chất lượng cao hàng đầu của ngành, độ ổn định cao và độ bền lâu dài.
4. Tùy chỉnh khách hàng hỗ trợ.
5. Bán hàng chuyên nghiệp và dịch vụ sau bán hàng, chào mừng bạn đến để hỏi bất cứ lúc nào.
6. Phân tích đúng giờ.
Track Head Bolt - cần thiết cho việc xây dựng theo dõi an toàn và đáng tin cậy
Theo dõi bu lông đầuđược các ốc vít chuyên dụng được thiết kế dành riêng cho các ứng dụng xây dựng đường sắt và theo dõi. Các bu lông này đóng một vai trò quan trọng trong việc duy trì tính toàn vẹn và ổn định của đường ray, đảm bảo chúng được gắn chặt một cách an toàn vào các mối quan hệ cơ sở hoặc đường sắt cơ bản. CácTheo dõi bu lông đầuđược thiết kế cho hiệu suất cao, ngay cả trong các điều kiện đòi hỏi của giao thông đường sắt nặng và các yếu tố môi trường khắc nghiệt.
Hình ảnh
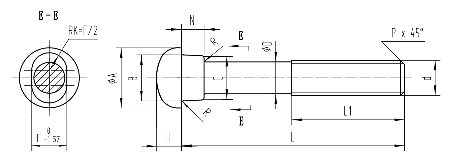
Vẽ sản phẩm
Các tính năng chính củaTheo dõi bu lông đầu
Thiết kế đầu theo dõi độc đáo
Đặc biệtTheo dõi bu lông đầuCó một đầu rộng, phẳng được thiết kế để cung cấp kết nối an toàn và ổn định giữa đường sắt và cà vạt đường sắt. Đầu được định hình để vừa khít vào cơ sở theo dõi, cung cấp sức mạnh giữ nâng cao và ngăn chặn nới lỏng theo thời gian.Vật liệu bền cho tuổi thọ
Theo dõi bu lông đầuđược sản xuất từ các vật liệu chất lượng cao, như thép carbon hoặc thép không gỉ, để chịu được các điều kiện khắc nghiệt của vận chuyển đường sắt. Những bu lông này có khả năng chống ăn mòn, hao mòn và nhiệt độ khắc nghiệt, khiến chúng trở nên lý tưởng để sử dụng lâu dài trong môi trường ngoài trời, nơi độ bền là rất quan trọng.Sức mạnh cao và khả năng chịu tải
Được thiết kế để xử lý các căng thẳng cơ học đáng kể,Theo dõi bu lông đầuCung cấp sức mạnh kéo tuyệt vời. Điều này đặc biệt quan trọng trong việc xây dựng theo dõi, trong đó bu lông được tiếp xúc với tải trọng liên tục từ các chuyến tàu đi qua. Thiết kế mạnh mẽ đảm bảo rằng các bu lông này duy trì giữ mạnh và chống biến dạng dưới trọng lượng nặng.Kháng ăn mòn cho môi trường khắc nghiệt
Theo dõi bu lông đầucó sẵn trong các kết thúc chống ăn mòn, chẳng hạn như mạ kẽm hoặc thép không gỉ. Tính năng này rất cần thiết cho các đường ray đường sắt phải đối mặt với độ ẩm, muối và điều kiện thời tiết khắc nghiệt. Các bu lông chống ăn mòn đảm bảo rằng đường đua vẫn an toàn và chức năng trong thời gian dài hơn, giảm chi phí bảo trì.
Lợi ích của việc sử dụngTheo dõi bu lông đầu
Kết nối theo dõi an toàn
Lợi ích chính củaTheo dõi bu lông đầulà khả năng của họ để buộc chặt đường sắt vào nền tảng cơ bản. Kết nối mạnh mẽ này là rất quan trọng để ngăn chặn sự dịch chuyển theo dõi và đảm bảo hoạt động an toàn của các chuyến tàu, ngay cả trong điều kiện tải tốc độ cao hoặc nặng.Tăng cường an toàn
Bằng cách duy trì tính toàn vẹn của bản nhạc,Theo dõi bu lông đầuGiúp đảm bảo sự an toàn của vận chuyển đường sắt. Các đường ray được bảo mật đúng cách làm giảm nguy cơ trật bánh hoặc tai nạn gây ra bởi đường ray lỏng lẻo hoặc các đường đua không đều nhau.Cài đặt và bảo trì dễ dàng
Cài đặtTheo dõi bu lông đầulà đơn giản, với thiết kế của chúng phù hợp để buộc nhanh và hiệu quả bằng các công cụ tiêu chuẩn. Ngoài ra, thiết kế đơn giản của họ cho phép dễ dàng bảo trì và thay thế khi cần thiết, đảm bảo rằng các công ty đường sắt có thể theo dõi trong điều kiện tối ưu.Hiệu quả chi phí và đáng tin cậy
Theo dõi bu lông đầukhông chỉ hiệu quả về chi phí mà còn cung cấp độ tin cậy lâu dài. Độ bền và khả năng chống hao mòn của chúng đảm bảo ít thay thế và sửa chữa hơn, cuối cùng làm giảm chi phí duy trì cơ sở hạ tầng đường sắt.
Ứng dụng củaTheo dõi bu lông đầu
Xây dựng đường sắt
Theo dõi bu lông đầuđược sử dụng chủ yếu trong việc xây dựng các tuyến đường sắt, nơi chúng rất cần thiết để kết nối các đường ray với các mối quan hệ đường sắt. Những bu lông này cung cấp khả năng giữ mạnh và an toàn cần thiết để đảm bảo đường đua vẫn ổn định dưới trọng lượng và chuyển động của tàu hỏa.Theo dõi bảo trì và nâng cấp
Ngoài việc xây dựng theo dõi mới,Theo dõi bu lông đầuthường được sử dụng trong bảo trì và nâng cấp theo dõi. Theo thời gian, cơ sở hạ tầng đường sắt yêu cầu bảo trì thường xuyên và các bu lông này đảm bảo rằng việc sửa chữa được thực hiện nhanh chóng và hiệu quả mà không ảnh hưởng đến sự an toàn theo dõi.Hệ thống đường sắt nặng
Đối với các hệ thống đường sắt hạng nặng hoặc tốc độ cao, sức mạnh và độ tin cậy củaTheo dõi bu lông đầulà quan trọng. Các bu lông này được thiết kế để xử lý các ứng suất và tải trọng tăng lên với các chuyến tàu di chuyển nhanh hoặc được tải rất nhiều, đảm bảo một chuyến đi an toàn và trơn tru.Xây dựng đường sắt tốc độ cao
Theo dõi bu lông đầucũng được sử dụng trong xây dựng đường sắt tốc độ cao, trong đó độ chính xác và độ bền là tối quan trọng. Các bu lông này duy trì sự ổn định và an toàn của các hệ thống đường sắt tốc độ cao, đảm bảo rằng các đường ray vẫn được căn chỉnh và được buộc chặt đúng trong các hoạt động.
Tại sao chọnTheo dõi bu lông đầu?
Độ bền vô song
Khi nói đến việc theo dõi việc xây dựng và bảo trì,Theo dõi bu lông đầuNổi bật cho độ bền của họ. Thiết kế mạnh mẽ của họ đảm bảo rằng họ có thể chịu được tải trọng nặng nề, rung động và các yếu tố gây căng thẳng môi trường phổ biến trong các hệ thống đường sắt.Được tối ưu hóa cho sự an toàn theo dõi
Theo dõi bu lông đầuđược thiết kế để tăng cường sự an toàn của các hoạt động đường sắt. Bằng cách cung cấp một kết nối an toàn và ổn định giữa đường sắt và cơ sở, chúng giúp giảm rủi ro của chuyển động theo dõi và đảm bảo sự an toàn của các nhà điều hành tàu và hành khách.Giải pháp hiệu quả và tiết kiệm chi phí
Với bản chất lâu dài và các yêu cầu bảo trì tối thiểu của họ,Theo dõi bu lông đầuCung cấp một giải pháp hiệu quả và hiệu quả cho các dự án cơ sở hạ tầng đường sắt. Độ tin cậy của chúng làm giảm nhu cầu sửa chữa và thay thế thường xuyên, góp phần tiết kiệm chi phí dài hạn.
Kết luận: Đầu tư vào đáng tin cậyTheo dõi bu lông đầucho sự ổn định theo dõi lâu dài
Để xây dựng theo dõi an toàn, an toàn và đáng tin cậy,Theo dõi bu lông đầulà một lựa chọn hàng đầu. Với thiết kế cường độ cao, khả năng chống ăn mòn và lắp đặt dễ dàng, họ cung cấp giải pháp lý tưởng để duy trì tính toàn vẹn và an toàn của đường ray xe lửa.
Cho dù để xây dựng theo dõi mới, bảo trì liên tục hoặc nâng cấp lên các hệ thống đường sắt cao cấp,Theo dõi bu lông đầuCung cấp sự ổn định và độ bền cần thiết để giữ cho cơ sở hạ tầng đường sắt hoạt động an toàn trong nhiều năm tới.





