Bu lông lục giác QC-T 340 có mặt bích răng cưa cho ô tô
Sản phẩm: Bu lông lục giác QC-T 340 có vành răng cưa cho ô tô (D> 150mm)
Loại tài sản: 4.6, 4.8, 5.6, 5.8, 8.8, 10.9, 12.9,
A-70, A4-70, A4-80
Hoàn thiện: Mạ kẽm (Kẽm vàng, Kẽm xanh, Màu rửa), Đen, Phốt phát & Dầu, Kẽm phốt phát, Mạ kẽm nhúng nóng (HDG), Dacromet, Geomet
Chất liệu: Thép
Nước xuất khẩu: Hoa Kỳ, Nhật Bản, Úc, Châu Âu, v.v.
Hỗ trợ tùy chỉnh khách hàng
Trong thế giới cạnh tranh và thúc đẩy hiệu suất của kỹ thuật ô tô, mọi thành phần đều quan trọng—vàBu lông lục giác QC-T 340 có mặt bích răng cưa cho ô tôứng dụng cũng không ngoại lệ. Những bu lông được thiết kế chính xác này là xương sống của tính toàn vẹn về mặt cấu trúc trên vô số hệ thống xe, từ hệ thống truyền động đến cụm khung gầm.
Nhưng không phải tất cả các bu lông đều được tạo ra như nhau. Khi nói đếnBu lông lục giác QC-T 340 có mặt bích răng cưa cho ô tô, tiêu chuẩn, xử lý bề mặt, chất lượng vật liệu và khả năng chịu mô-men xoắn xác định hiệu suất. Hãy cùng khám phá lý do tại sao bu lông bích lục giác QC-T 340 là thiết yếu trong sản xuất ô tô hiện đại và cách chúng giúp các OEM và nhà cung cấp Tier-1 đáp ứng các tiêu chuẩn cao nhất về độ bền và an toàn.
🔧Bu lông lục giác QC-T 340 có mặt bích răng cưa dùng cho ô tô là gì?
Bu lông lục giác QC-T 340 có mặt bích răng cưa cho ô tôtham khảo một loại ốc vít ô tô chuyên dụng được tiêu chuẩn hóa theo tiêu chuẩn QC/T 340 của Trung Quốc. Các bu lông này có đặc điểm:
Đầu lục giác: Để truyền mô-men xoắn cao
Mặt bích răng cưa tích hợp: Ngăn ngừa sự nới lỏng dưới sự rung động
Bước ren chính xác: Đảm bảo sự tham gia nhất quán
Xử lý bề mặt: Mạ kẽm, Dacromet hoặc Geomet để chống ăn mòn
Được thiết kế đặc biệt choứng dụng cấp ô tô, những bu lông này được sử dụng ở đâulực kẹp cao và chức năng chống nới lỏngrất quan trọng.
📏Thông số kỹ thuật chính của bu lông lục giác QC-T 340 có mặt bích răng cưa cho ô tô
| tham số | Phạm vi đặc điểm kỹ thuật |
|---|---|
| Phạm vi kích thước | M6–M16 |
| Loại chủ đề | Chủ đề ISO số liệu |
| Vật liệu | Thép cacbon / Thép hợp kim (Cấp 8.8–12.9) |
| Xử lý bề mặt | Kẽm, Geomet, Dacromet, Oxit đen |
| Góc răng cưa mặt bích | 30°–60° |
| Tuân thủ tiêu chuẩn | QC/T 340-2015 |
| Trọng tâm ứng dụng | Động cơ ô tô, hộp số, hệ thống treo |
Cho dù đó là giá đỡ động cơ hay cụm trục bánh xe,Bu lông lục giác QC-T 340 có mặt bích răng cưa cho ô tôcung cấp hiệu suất khóa cơ học vô song.
🚗Bu lông lục giác có mặt bích răng cưa QC-T 340 được sử dụng ở đâu trong ô tô?
Tính linh hoạt và sức mạnh củaBu lông lục giác QC-T 340 có mặt bích răng cưa cho ô tôlàm cho chúng trở nên lý tưởng cho nhiều hệ thống quan trọng:
lắp ráp động cơ: Giữ cho các thành phần hệ thống truyền động được cố định dưới nhiệt độ và độ rung cực cao
Hệ thống treo: Duy trì tính toàn vẹn của cấu trúc trong quá trình thay đổi tải trọng động
Cơ chế lái: Ngăn chặn sự nới lỏng quay trong quá trình lực định hướng lặp đi lặp lại
Lắp ráp khung gầm và khung: Cung cấp độ tin cậy buộc chặt lâu dài dưới tác động
Mỗi chiếc xe hiệu suất cao đều phụ thuộc vàoBu lông lục giác QC-T 340 có mặt bích răng cưa cho ô tôđể đảm bảo an toàn, hiệu quả và khả năng lưu thông.
🔩Tại sao lại là mặt bích răng cưa? Khoa học đằng sau việc cố định chắc chắn
Không giống như bu lông lục giác thông thường,Bu lông lục giác QC-T 340 có mặt bích răng cưa cho ô tôcó mặt bích giống như vòng đệm răng cưa:
Phân phối tải đềutrên bề mặt kẹp
Ngăn chặn sự xoay của bu lôngbằng cách nhúng các răng cưa vào vật liệu ghép nối
Loại bỏ nhu cầu sử dụng máy giặt riêng biệt, giảm thời gian lắp ráp
Cải thiện tỷ lệ mô-men xoắn trên lực căngcho lực kẹp nhất quán
Cơ chế tự khóa này đảm bảoBu lông lục giác QC-T 340 có mặt bích răng cưa cho ô tôgiữ nguyên vị trí—đặc biệt là trong môi trường có độ rung cao.
🏭Tại sao các nhà sản xuất ô tô hàng đầu lại chọn bu lông lục giác QC-T 340 có mặt bích răng cưa cho ô tô
✅ 1.Độ tin cậy cấp OEM
Được chấp thuận bởi các thương hiệu ô tô hàng đầu tại Trung Quốc, Đức và Nhật Bản, những bu lông này đáp ứngTiêu chuẩn QC/T 340và phù hợp với các hướng dẫn về ốc vít ô tô toàn cầu.
✅ 2.Hiệu suất chống nới lỏng vượt trội
Mặt bích răng cưa được thử nghiệm để ngăn chặn sự trượt ra ngoài khi có chu kỳ rung vượt quá 10^6.
✅ 3.Khả năng chống ăn mòn tuyệt vời
Với lớp phủ như Geomet 500 hoặc Dacromet,Bu lông lục giác QC-T 340 có mặt bích răng cưa cho ô tôchịu được hơn 1000 giờ phun muối.
✅ 4.Giải pháp tùy chỉnh
Các nhà sản xuất cung cấp dịch vụ tùy chỉnh OEM, bao gồm đánh dấu đầu, kích thước, lớp phủ bề mặt và mô-men xoắn định mức để phù hợp với nhiều loại nền tảng xe khác nhau.
🔍Tiêu chuẩn & Tuân thủ: Tại sao QC-T 340 lại quan trọng
cácQC-T 340tiêu chuẩn—được phát triển cho các ứng dụng ô tô—đảm bảo chất lượng đồng nhất bằng cách điều chỉnh:
Độ cứng và độ bền kéo của vật liệu
Bề mặt hoàn thiện và độ dày lớp phủ
Tính toàn vẹn của chủ đề
Hình dạng răng cưa và hiệu suất
Việc tuân thủ tiêu chuẩn này đảm bảo rằngBu lông lục giác QC-T 340 có mặt bích răng cưa cho ô tôsẽ hoạt động đáng tin cậy trong những điều kiện khắc nghiệt nhất.
🌐Tiềm năng xuất khẩu toàn cầu của bu lông lục giác QC-T 340 có mặt bích răng cưa
Các tỉnh Sơn Đông, Chiết Giang và Giang Tô là những cơ sở sản xuất chính choBu lông lục giác QC-T 340 có mặt bích răng cưa cho ô tôở Trung Quốc. Những ốc vít này được xuất khẩu tới:
nước Đức– Dành cho các nhà sản xuất hệ thống truyền động Tier-1
Hoa Kỳ– Trong các ứng dụng hiệu suất hậu mãi
Ấn Độ– Trong dây chuyền lắp ráp ô tô đang phát triển
Mexico và Brazil– Dành cho tích hợp thành phần OEM
Mỗi lô hàng đều đáp ứng các tiêu chuẩn quốc tế về đóng gói, dán nhãn và truy xuất nguồn gốc—củng cố niềm tin toàn cầu vàoBu lông lục giác QC-T 340 có mặt bích răng cưa cho ô tô.
🧠Lời khuyên của chuyên gia: Chọn bu lông lục giác QC-T 340 có mặt bích răng cưa phù hợp cho ô tô
Để đảm bảo hiệu suất tối ưu:
✅Kiểm tra lớp: Đối với các ứng dụng có ứng suất cao, hãy sử dụng cấp 10.9 hoặc 12.9
✅Xác nhận lớp phủ: Bảo vệ chống ăn mòn phù hợp với môi trường dự định
✅Kiểm tra răng cưa: Đảm bảo các răng cưa của mặt bích đồng đều và sắc nét
✅Hiệu chuẩn mô-men xoắn: Sử dụng thông số mô-men xoắn được nhà sản xuất khuyến nghị
✅Xác minh chứng chỉ: Luôn yêu cầu báo cáo thử nghiệm QC-T 340 hoặc tệp PPAP
Một chiếc xe hiệu suất cao xứng đáng có những ốc vít hiệu suất cao—vàBu lông lục giác QC-T 340 có mặt bích răng cưa cho ô tôcung cấp chính xác điều đó.
📈Nghiên cứu tình huống: Hơn 500.000 bu lông được sử dụng trong một nhà sản xuất xe điện Trung Quốc
Một thương hiệu xe điện lớn của Trung Quốc đã được áp dụngBu lông lục giác QC-T 340 có mặt bích răng cưa cho ô tôvì:
Khung gói pin
Giá đỡ động cơ truyền động
Khung phụ treo
Sau hơn 12 tháng thử nghiệm rung động và nhiệt, tỷ lệ hỏng hóc vẫn dưới 0,002%, chứng tỏ rằngBu lông lục giác QC-T 340 có mặt bích răng cưa cho ô tômang lại hiệu suất đẳng cấp thế giới ngay cả trên xe điện.
📞Đặt hàng bu lông lục giác QC-T 340 có mặt bích răng cưa cho ô tô ngay hôm nay
Cho dù bạn đang tìm nguồn cung ứng cho sản xuất OEM, bán hàng hậu mãi hay nghiên cứu và phát triển ô tô, hãy chọn tiêu chuẩn đảm bảo hiệu suất.Bu lông lục giác QC-T 340 có mặt bích răng cưa cho ô tôcó sẵn đơn đặt hàng số lượng lớn với đầy đủ giấy tờ, vận chuyển toàn cầu và hỗ trợ kỹ thuật.
👉 Liên hệ ngay với nhà cung cấp được chứng nhận để yêu cầu mẫu, bản vẽ kỹ thuật hoặc báo giá tùy chỉnh.
🌟Hãy nhớ rằng: Thế giới ô tô tin tưởng nó, các kỹ sư khuyên dùng nó và hiệu suất chứng minh điều đó—
Bu lông lục giác QC-T 340 có mặt bích răng cưa cho ô tôlà tiêu chuẩn buộc chặt của tương lai.
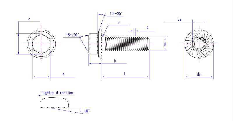
Hình ảnh



Bản vẽ sản phẩm
Đặc điểm kỹ thuật sản phẩm
Kích cỡ |
Ms. |
M8 |
M10 |
M12 |
M14 |
M16 |
M18 |
M20 |
|
P |
1 |
1|1,25 |
1|1,25|1,5 |
1,25|1,5|1,75 |
1,5|2 |
1,5|2 |
1,5|2,5 |
1,5|2|2,5 |
|
vâng, tối đa |
7.4 |
10 |
12.6 |
16.2 |
17.7 |
20.7 |
22.7 |
24.7 |
|
dc tối đa |
13.6 |
17 |
20.8 |
24.7 |
28.6 |
32.8 |
36.8 |
40.9 |
|
và phút |
8.56 |
10.8 |
14.08 |
16.32 |
19.68 |
22.94 |
26.5 |
29.8 |
|
k tối đa |
6.8 |
8.5 |
9.7 |
11.9 |
12.9 |
15.1 |
16.6 |
18.2 |
|
r |
3.4 |
4.3 |
4.3 |
6.4 |
6.4 |
6.4 |
8 |
8 |
|
S |
tối đa |
8 |
10 |
13 |
15 |
18 |
21 |
24 |
27 |
phút |
7.64 |
9.64 |
12.57 |
14.57 |
17.57 |
20.16 |
23.16 |
26.16 |
|
Hỗ trợ tùy chỉnh khách hàng |
|||||||||


